Kevés hasonló meghibásodás létezik az utóbbi néhány évtizedben, ami ennyi autót érint. A temérdek francia típusnál alkalmazott torziós rugóval szerelt, csatolt lengőkaros hátsó futómű sok álmatlan éjszakát okozott már a magyar autótulajdonosoknak. A hibaforrás a tűgörgős csapágyazás a lengőkar és a hátsó híd csatlakoztatásánál.
Az alkatrészkereskedők is észrevették a mai napig jól jövedelmező lehetőséget, keresésemre legalább tizenöt, csak erre szakosodott műhelyt találtam, akik a hidak javításával, felújításával foglalkoznak. A legtöbb 1990 és 2000 között eladott PSA-modellt a már említett hátsó futóművel szerelték. Ilyen volt a Peugeot 106, 205, 206, 306, 405 Partner/Berlingo (2007-ig), valamint a Citroën Saxo, AX, ZX, és a Xsara, amelynek hídja csereszabatos a 306-oséval. Utóbbi két típus futóműve képes a passzív hátsókerék-kormányzásra, vagyis amikor kanyarban bedől a karosszéria, a hátsó kerekeket kis mértékben az elsőkkel egyező irányban fordítja, ami javítja a kezelhetőséget. Ugyanakkor aljas is a konstrukció, ha egyszer megcsúszik, többet érhet az ima, mint a rutin. Hirtelen és váratlanul képes elveszíteni a tapadását, ami megszokást igényel.
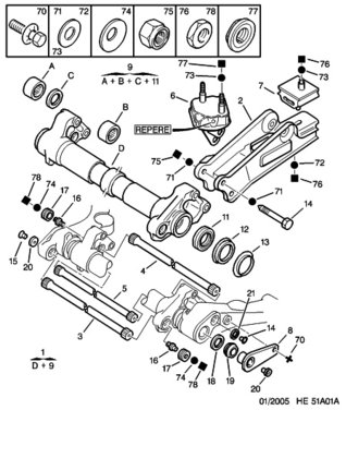
Az alapkonstrukció lényege, hogy a hátsó tengelyhez két tűgörgővel csatlakozik a lengőkar. Sajnos ez a rendkívül primitív – éppen ezért akkoriban költséghatékonysága, helytakarékossága miatt kedvelt – megoldás okozhat akár százezres kárt is, ha nem figyel rá gazdája. A meghibásodás oka rendkívül egyszerű, általában három stádiumban figyelhető meg. Az alapvető gondot a tűgörgő kenésének fokozatosan bekövetkező hiánya, majd megszűnése okozza.
Először csak nagyon gyanús rotyogó, nyekergő hangok hallhatók a hátsó kerekek környékéről, jellemzően lassú ki- és berugózásnál. A hátsó tengelyek ragtapasza ilyenkor a zsírozás, ez amolyan tüneti kezelés. Ennél sokkal költségesebb, de a jövő szempontjából helyes megoldás a csapágy cseréje és a tengelyek ellenőrzése.
A második fázisban már enyhe negatív kerékdőlést is észrevehetünk, köznyelven túlzott terpesztést láthatunk a hátsó kerekeken. Ezt a kis, hengeres fémgörgőkből kialakított csapágy kopása okozza. Ekkor a zsír sajnos már nem segít, jöhet jól az erre szakosodott műhelyek telefonszáma. Ők általában a komplett hidat adják el nekünk, általában új tengellyel és a gyári csapágyakkal összeszerelve. Ez típustól és kiviteltől függően 50-100 ezer forint közötti összeg, amiért, plusz a rossz hátsó hídért cserébe kapunk egy felújított, lefestett cseredarabot. A ki- és beszerelés költsége ebben még nincs benne.
A harmadik, végső stádium, amikor a csapágy már megszorul, azaz berágódik a tengelyen. Ilyenkor a hátsó futómű életveszélyes viselkedést produkálhat. Szinte minden kisebb úthibán elpattog, felkeményedik, és a már említett kerékdőlés akár a gumi és a kerékdob összeérését is okozhatja. Nem kell Picoscope a diagnosztikához, elég ráterhelni a csomagtérre. Ha nem, vagy csak alig mozdul az autó feneke, a teljes hátsó híd felújítása vár ránk.
Léteznek alternatív átalakítások is, ezekről azonban mindig csak az adott módszer kifejlesztői vannak jó véleménnyel. A műanyag siklócsapágyas átalakításhoz garancia is jár, ha a módosítást végző műhelybe időszakosan kenésre járunk. Ezek a megoldások soha nem lesznek gyári minőségűek. Vagy az autó viselkedését változtatják meg, vagy túlzottan komplikált, és nem megfelelő anyagminőséget vetnek be.
Annak ellenére, hogy a hátsó híd javítása ennyire drága, nem feltétlenül jelent minden tulajdonos számára kiadást. Azok a kijelentések, miszerint csak 160 ezer kilométert bír ki, teljesen alaptalanok. Létezik akár 60 ezer után is beállt hátsó híd, és van, amelyik csak 300 ezer után szorul javításra. Rengeteg változó együttállása okozza a faék egyszerűségű szerkezet tönkremenetelét. Elsődlegesen a korrózió, ami télen hatványozódik, továbbá az adott típus egyedi kialakításától is függ. Egy nem reprezentatív márkaklub oldala szerint a klubtagok 36 százaléka már javíttatott, 64 százalékuk még nem nyúlt a problémás alkatrészhez.
A tapasztalatok szerint a jó minőségű felújítás után egy zsírzógomb elhelyezése a hátsó hídon növelheti az élettartamot. Amennyiben telenyomják zsírral a hátsó hidat – a nagy nyomású feltöltés például egy Volán-telepen megoldható – a nyöszörgés és a felújítás jó pár évre feledésbe merül. Semmiképpen sem nevezném taposóaknának a francia hátsó hidat, inkább egyszerűen észrevehető hiba autóvétel során, amire érdemes odafigyelni. Ha felfedezzük, akár komoly alkualapra is okot adhat a közelgő javítás ténye.














