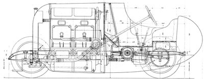
A torinói szörny oldalnézetben.
Az autó hatalmas méreteit jól érzékeltetik
a mögötte álló emberek. Érdemes megfigyelni
a kipufogót, a lánchajtást és a küllôs kerekeket
Figyelemre méltó a kurbli végének áramvonalas kiképzése
FIAT tipo S.76 – egy igazi óriás vödörméretû hengerekkel.